Nov 2025

MEC E 360 Gearbox

Rendered isometric view of the gearbox assembly in SOLIDWORKS Visualize.

This mechanical design and analysis project was completed alongside five other group members as part of the MEC E 360 course.

The goal of the project was to design a fully functional treadmill gearbox and perform a complete analysis of all major components. The final gearbox consists of 3 shafts, 4 spur gears, 6 bearings, 4 keys, and 8 set screws. It was designed to satisfy the following treadmill requirements:

  • Maximum speed of 12 miles per hour.

  • Maximum incline of 15% (8.53 degrees).

  • Maximum user weight of 300 pounds.

  • Lifespan of 5000 miles.

Following AGMA, ASME/ANSI and ISO standards, the gearbox was comprehensively analyzed:

  • Shafts: torsion, bending moments, transverse shear forces, linear and angular deflection, stress concentration at keyways and steps, fatigue effects, lifetime.

  • Gears: bending stress, contact stress, fatigue effects, lifetime.

  • Bearings: radial forces, lifetime.

Engineering drawing showing isometric and exploded orthogonal views of the entire gearbox assembly, with bill of materials.

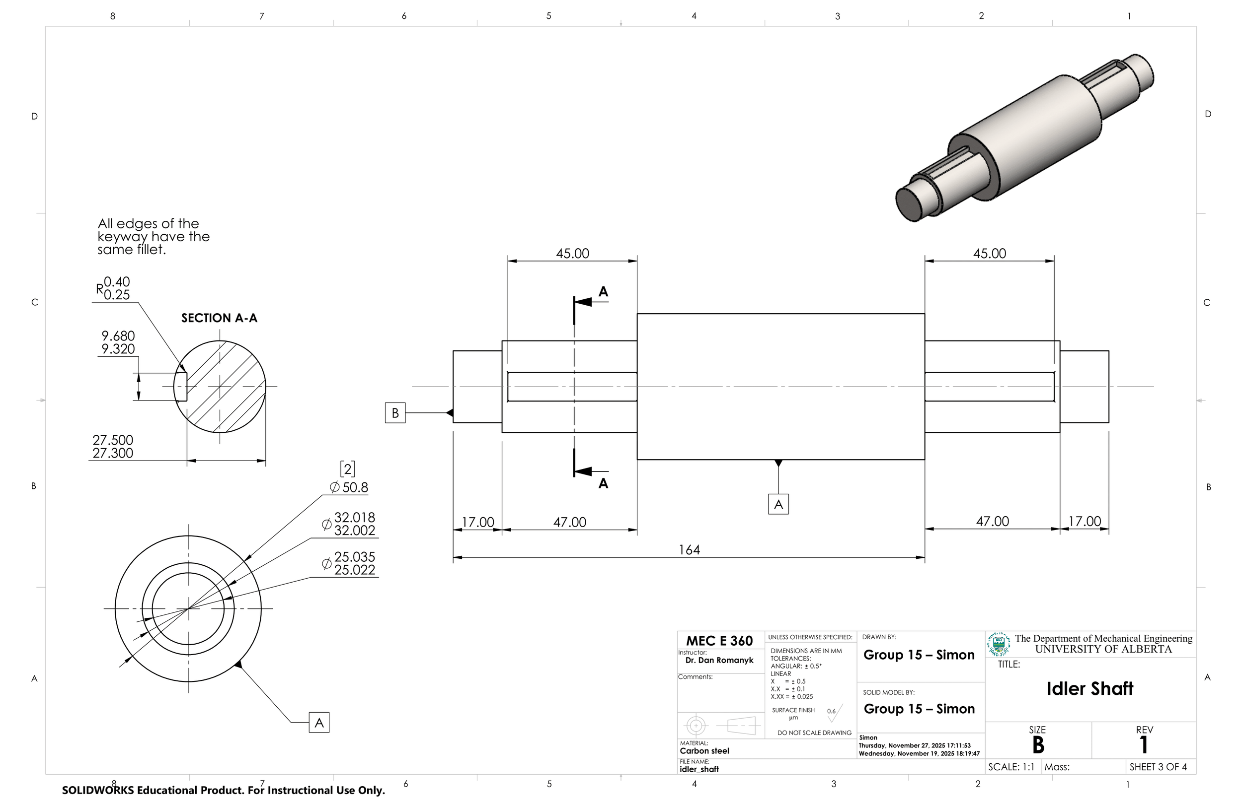
Engineering drawing showing isometric, orthogonal, and section views of the idler shaft component, with dimensions and tolerances.

Previous
Previous

MEC E 260 Fruit Harvester Vehicle

Next
Next

Burpee Exercise Tracker